This website works better with JavaScript.
Explore
Help
Sign In
nebukadneza
/
thermocouple
Watch
1
Star
0
Fork
You've already forked thermocouple
0
Code
Issues
Pull Requests
Releases
Wiki
Activity
You can not select more than 25 topics
Topics must start with a letter or number, can include dashes ('-') and can be up to 35 characters long.
3e9c71263b
master
Branches
Tags
${ item.name }
Create tag
${ searchTerm }
Create branch
${ searchTerm }
from '3e9c71263b'
${ noResults }
thermocouple
/
vusb-20100715
/
circuits
/
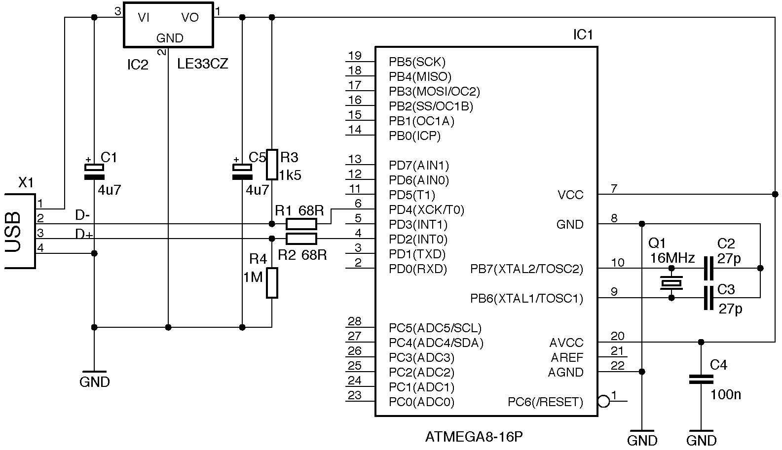
with-vreg.png
13 KiB
Raw
History